Podręcznik – instrukcja Fagor FE-1158



Fagor FE-1158

Instrukcja obsługi Fagor FE-1158 będzie mogła zostać pobrana, po sprawdzeniu, że nie jesteś robotem. Dziękuję za zrozumienie.




Fagor FE-1158

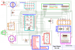
Przykład fragmentu instrukcji Fagor FE-1158 wielkość instrukcji wynosi 742.31 kB

Przykład fragmentu instrukcji zostanie wkrótce uzupełniony.